Evaporator Core - Suzuki (95410-50G10)

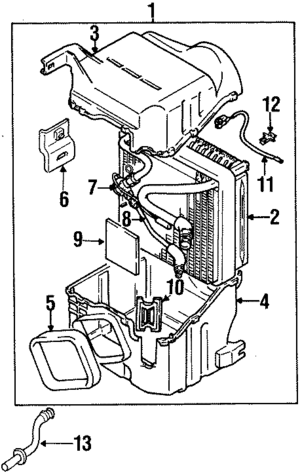
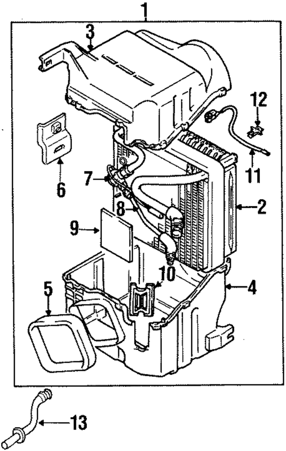
Part can be found as reference #2 in illustration

Evaporator Core - Suzuki (95410-50G10)

Genuine Suzuki Parts
Suzuki Parts
  • Suzuki
  • 95410-50G10

Details

  • Brand:

     Parts

  • SKU:

    95410-50G10

  • Description:

    Swift.

  • Notes: Included with evaporator assembly.
OR

Discontinued Product

No Longer Available For Purchase

Packages shipped within the U.S. and Puerto Rico will automatically be protected from any loss, damage, and theft. Learn More

Manufacturer Warranty Minimum of 12 Months
Guaranteed Fitment Always the correct parts
Shop with Confidence Your information is safe
In-House Experts We know our products
Genuine Suzuki Parts
Suzuki Parts
  • Suzuki
  • 95410-50G10

Details

  • Brand:

     Parts

  • SKU:

    95410-50G10

  • Description:

    Swift.

  • Notes: Included with evaporator assembly.

Vehicle Fitment

Vehicle Fitment
Year Make Model Body & Trim Engine & Transmission
( more fitments)
No fitment data available