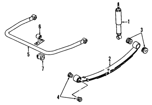
Front Suspension for 1988 Suzuki Samurai
No.
Part # / Description / Price
Price
8
Stabilizer Bar Bracket
Suzuki
Suzuki Description: Vitara, Grand Vitara, XL-7. 2 wheel drive. 4 wheel drive.
No.
Part # / Description / Price
Price
No.
Part # / Description / Price
Price
Related Parts
Part # / Description / Price
Price
